Find suitable spare parts or accessories to your Ozito products.

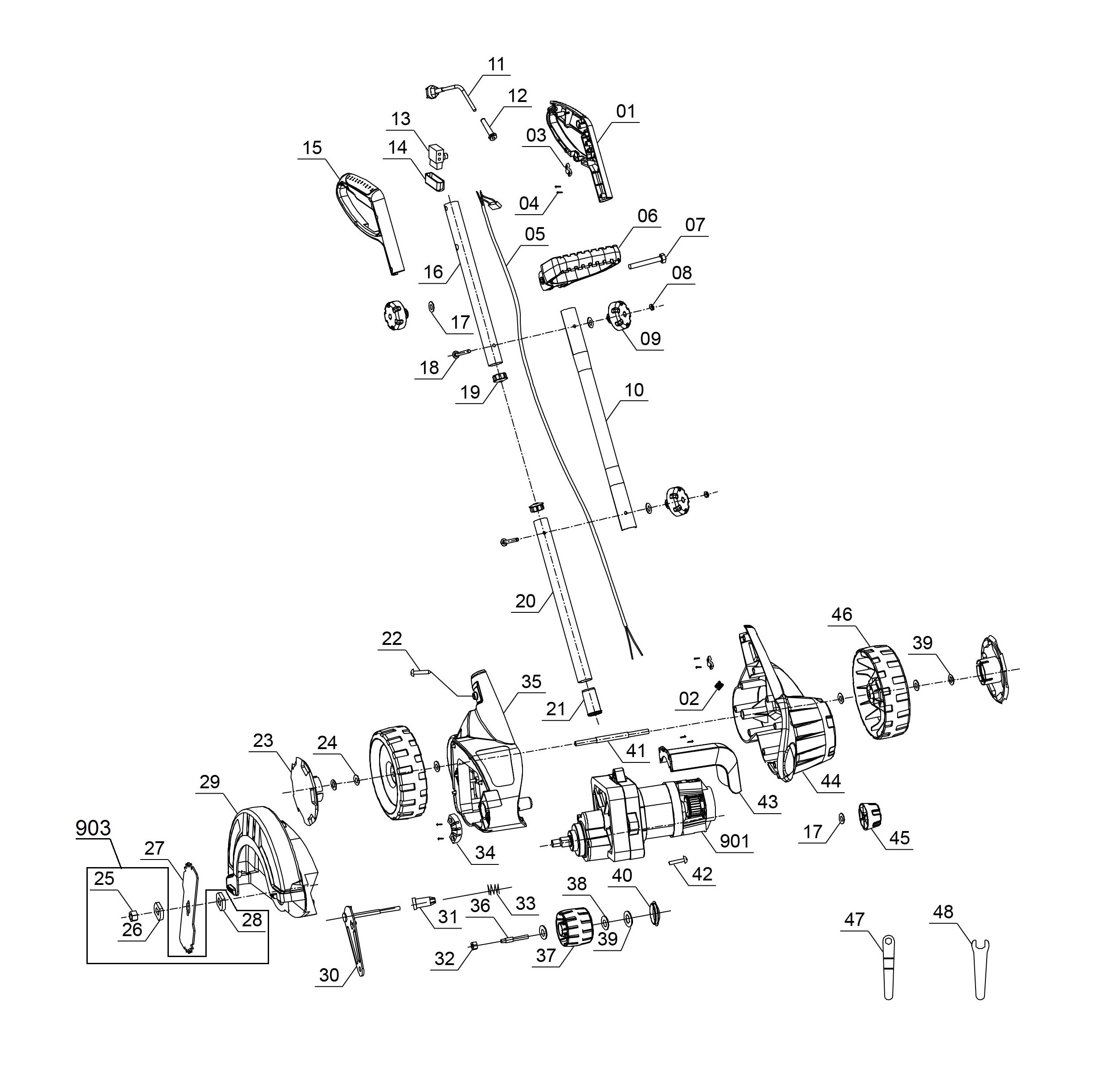
This Ozito Lawn Edger has been designed to trim your lawns edges and keep your yard looking neat and tidy.
The dual cutting blade provides a vertical cut into the lawn bordering your driveway, footpaths and paved areas. It can also be used to help you with landscaping tasks such as shaping flower bed borders and trees to give you that professional sharp look.
With 140mmdual rear wheels and with a front guide wheel this edger will provide you with complete control and ensure a straight cut every time. 3 adjustable cutting depths make this edger perfect for a variety of different lawn types. The safety lock-off switch prevents accidental start-ups while the power cord retainer makes the power connection secure.
Technical details
Related downloads
Customer reviews
Ozito does not ensure - with the exception of the "Verified Purchase" cases - that the published reviews come from such consumers who have actually used or purchased the products.

